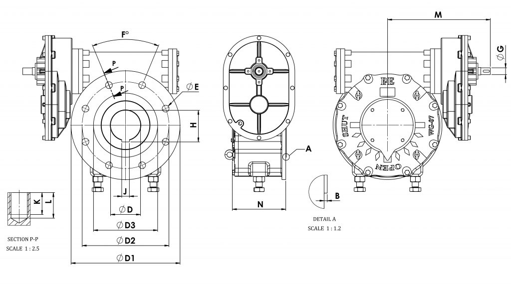
FEATURE
- All mounting bases conform to ISO 5211 standards.
- The gear box shall be designed for outdoor installation to meet the ambient temp of -29 to 60 °C .
- All castings are ductile iron.
- Options include handwheels, locking device, etc.
M.O.V Option
Worm Gear can be provided with motor actuator input flanges to accept standard ISO mounting base
Locking Device Option
Input can be equipped with a Handwheel locking device for manually operated units.
Selection Chart For Manual Operation
