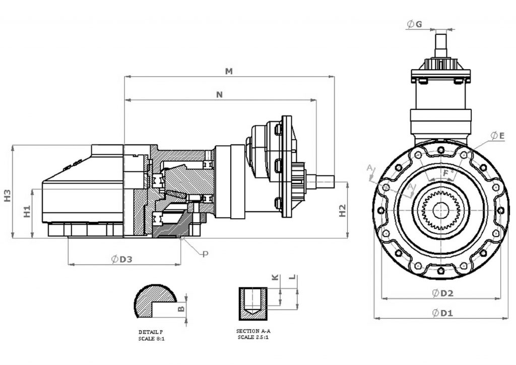
NOTE: DIMENSION OF INPUT SHAFT PART (∅D,H,J) IS VARIABLE BASED ON CUSTOMER REQUEST.

FEATURE
  •  This series suitable for use with Gate & Globe type valve.
  • All mounting bases conform to ISO 5210 standards.
  • Castings are Ductile Iron.
  • Units are completely O-Ring Sealed suitable for temporary submergence to meet IP67 class.
  • Options include handwheels, locking device, etc. 

Selection Chart for Manual Operation