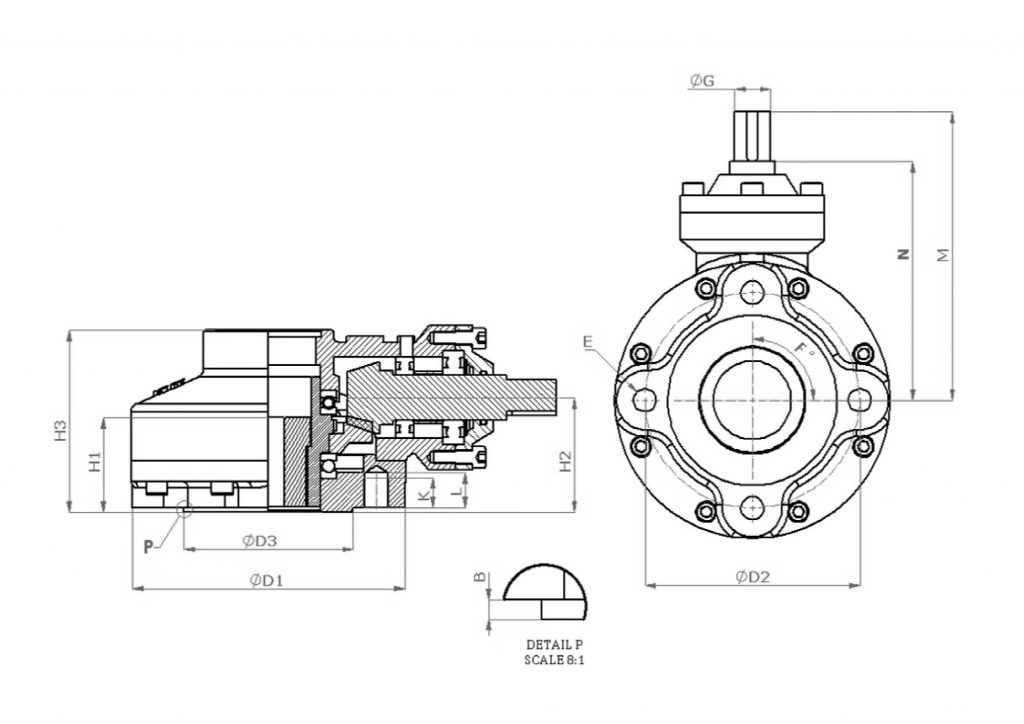
FEATURE
- This series suitable for use with Gate & Globe type valve.
- All mounting bases conform to ISO 5210 standards.
- Castings are Ductile Iron.
- Units are completely O-Ring Sealed suitable for temporary submergence to meet IP67 class.
- Options include handwheels, locking device, etc.
Selection Chart for Manual Operation
